【東京都世田谷区】世田谷区桜新町2丁目362坪倉庫

物件概要

最終更新日:2026年01月15日

用途
倉庫
所在地
東京都世田谷区桜新町2-13-6
GoogleMap
交通
首都高速3号渋谷線  用賀より 約1.60km
東急田園都市線  桜新町駅 <徒歩圏内>

※交通の距離または徒歩圏内の情報は目安となります。

賃貸階数
1-3階
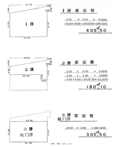
賃貸面積
361.97 坪 |1,196.59 ㎡
月額賃料(税抜)
3,981,670円(坪単価@11,000円)
引き渡し時期
2026年4月 上旬 以降

物件のポイント

  • IC5km以内
  • 駅徒歩圏

物件詳細

取引形態
媒介(他社)
建物面積
361.97 坪 ( 1,196.59 ㎡)
建物階数
3階建
築年月
1986年06月 (築39年)
都市計画区域/用途地域
敷金/保証金
敷金   6ヶ月
敷引/償却
礼金
1ヶ月
備考
契約形態:定期借家契約
契約年数:3年

設備

荷捌場
天井高
床荷重 (t/㎡)
昇降設備
(種類/数×耐荷重kg)
EV(荷物用)/1×1,900kg
駐車場
有り

お問い合わせ

※200文字以内で入力してください

※下記の個人情報の取り扱いについて同意した上で送信をしてください

個人情報の取り扱いについて(必ずお読み下さい)

本サービスは、株式会社シーアールイーがお客様からのお問合せや、CREフォーラムの申し込み等を受け付けるものです。ご入力頂いた個人情報は、資料送付、電子メール送信、電話連絡等への利用他、当社の事業や営業活動等の目的で保管します。当社が保管する個人情報の考え方についてはプライバシーポリシーをご覧下さい。

CRE倉庫検索で物件をお探しの方へ

CRE倉庫検索を運営するシーアールイーでは、業界トップクラスのネットワークを活用し、経験豊かなプロフェッショナルが、お客様のご要望に合わせた物件情報のご提案、物件探しをご支援します。

事業用物件を売りたい・貸したい方へ

事業用物件、倉庫や工場、事務所で売りたい・貸したい方、気軽にマスターリースにご相談ください。状況に合わせてご提案させていただきます。

詳細条件で検索

都道府県・
エリア
賃貸面積
  • 範囲で指定
  • 数値で指定
賃料
用途
取引形態
都市計画区域/用途地域
最寄りIC
その他条件